Puerta oval apertura interna

309IG ART

Puerta
345 x 445 mm
Para INOX

Información adicional

Installazione

Tipo di prodotto

Forma

Oval

Misura

345×445

Apertura

Interna

Caratteristiche

Radiado 3D

Material:
AISI304L - AISI316L
Notas:
Material sin contacto en AISI304L
Certificados disponibles:
MOCA - 3.1 - FDA - 1935/04 CE
Presión:
ART309IG BAR: 0 / +3,0 BAR
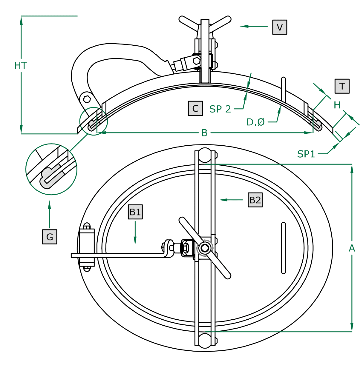
Dibujo
Ejemplo de instalación