Puerta oval apertura externa
311 ART
Puerta
305 x 430 mm
Para INOX
Información adicional
| Installazione | |
|---|---|
| Tipo di prodotto | |
| Forma | Oval |
| Misura | 305×430 |
| Apertura | Externa |
Material:
AISI304L - AISI316L
Notas:
Material sin contacto en AISI304L
Certificados disponibles:
MOCA - 3.1 - FDA - 1935/04 CE
Presión:
ART311 BAR: 0 / +0,4 BAR
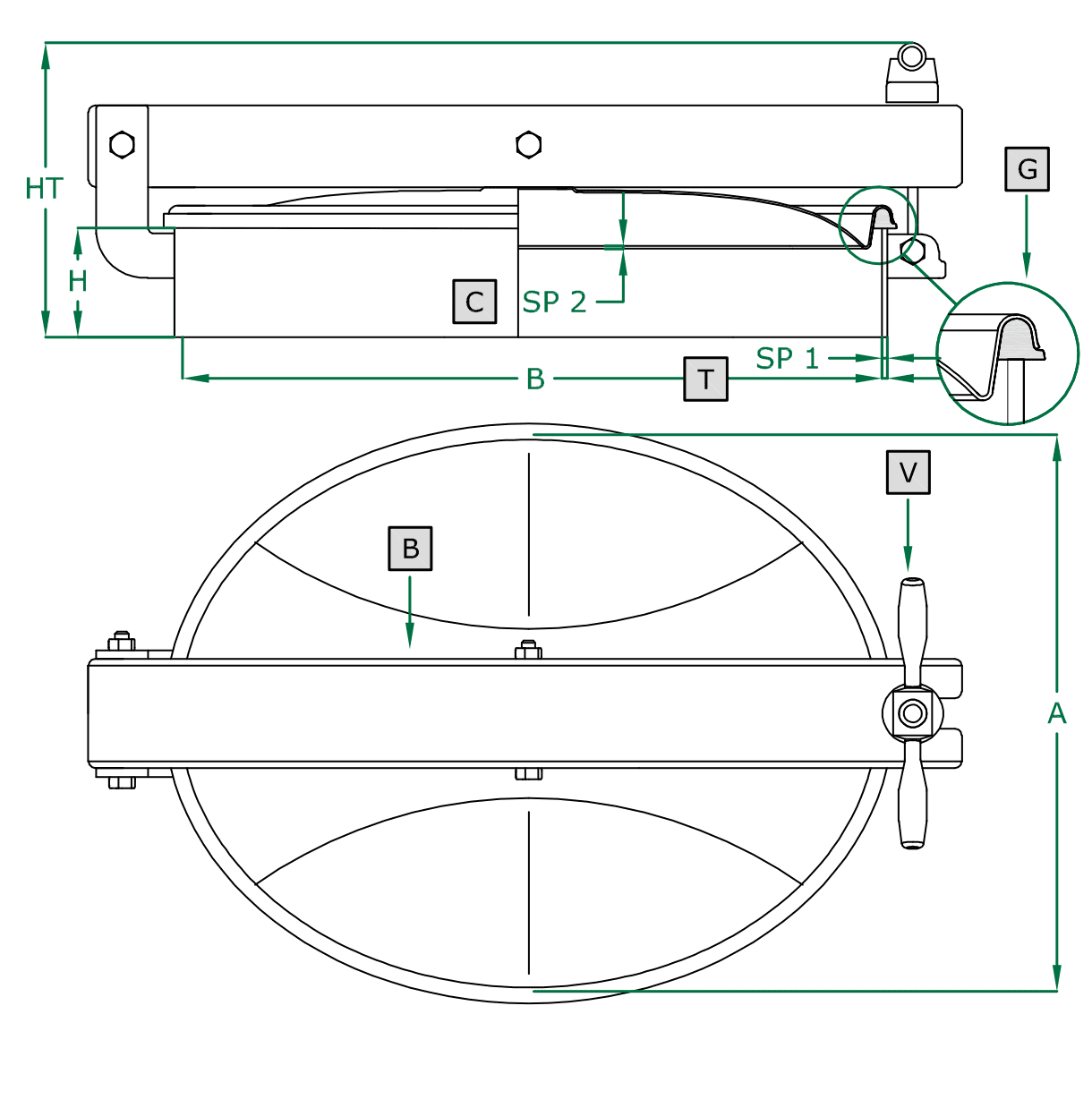
Dibujo
Ejemplo de instalación


